很遗憾,因您的浏览器版本过低导致无法获得最佳浏览体验,推荐下载安装谷歌浏览器!

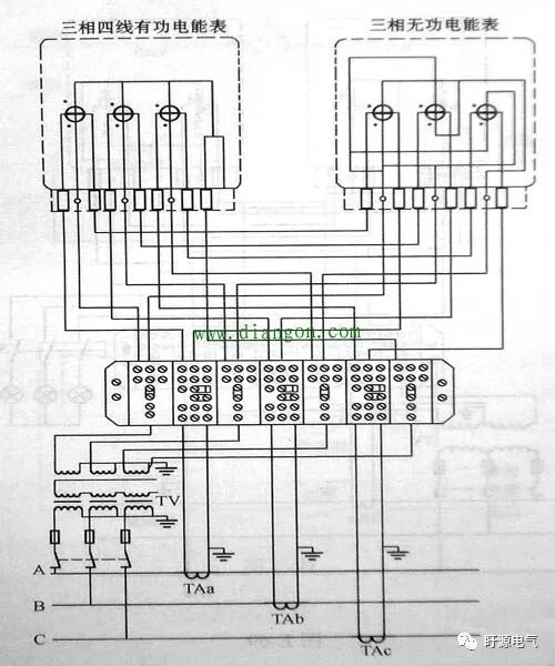
高压计量的接线方法

2018-07-16  来自: 兰州海诚电力物资有限公司 浏览次数:1136

高压计量的接线方法

三相三线:

甘肃电力铁附件

三相四线:

甘肃电力铁附件

在高压计量中,高压计量箱用的三相三线的,绝不能能用三相四线的高压表代替三相三线高压表! 强行用的话将造成严重计量错误,注意是错误,而不只是简单的误差。 三相三线表只能和三相三线高计量相配。 三相四线表只能和三相四线高计量相配。




联系人:杨总(18993159403)

联系人:李总(17793115432)

座机:0931—8799147

主营业务:变压器、真空断路器、高压计量箱、开关跌落、脚扣、安全带、拉闸杆、液压钳、穿线器、滑轮、电线网套

地址:甘肃省兰州市城关区龙辰五金机电市场A区1排72号


CopyRight © 版权所有: 兰州海诚电力物资有限公司 网站地图 XML

本站关键字: 兰州海诚电力物资有限公司 甘肃真空断路器 甘肃电力铁附件 兰州铜铝线鼻子 兰州电力金具 甘肃开关跌落


扫一扫访问移动端